हिंदी
|
मॉडल संख्या |
SG - DTM06U (C, M) 2 - X |
SG - DTM06U (C, M) 2 - TX |
Sg - dtm03u (c, m) 2 - X |
SG - DTM03U (C, M) 2 - TX |
Sg - dtm02u (c) 2 - X |
Sg - dtm02u (c) 2 - tx |
|
थर्मल मॉड्यूल |
||||||
|
छवि संवेदक |
अनछुया घाटी माइक्रोबोलोमीटर |
|||||
|
पिक्सेल अंतराल |
12μM |
|||||
|
प्रतिक्रिया वेवबैंड |
8μM से 14μM |
|||||
|
अधिकतम। संकल्प |
640 × 512 |
384 × 228 |
256 × 192 |
|||
|
फ्रेम दर (एफपीएस) |
50 |
25 |
50 |
25 |
50 |
25 |
|
लेंस (फोकल लंबाई) |
9.1/13/19/25 मिमी |
9.1/13 मिमी |
4/7/10 मिमी |
|||
|
एफ संख्या |
F1.0/ F1.0/ F1.1/ F1.2 |
F1.0 |
F1.0 |
|||
|
दृश्य क्षेत्र (एच × वी) |
45.9 ° × 36.9 °/32.9 ° × 26.6 °/ 22.6 ° × 18.2 °/17.3 ° × 13.8 ° |
28.7 ° × 21.7 °/20.1 ° × 15.1 ° |
46.8 ° × 34.1 °/24.6 ° × 18.5 °/16.9 ° × 12.8 ° |
|||
|
अस्थायी माप |
एन/ए |
सहायता |
एन/ए |
सहायता |
एन/ए |
सहायता |
|
तापमान माप |
||||||
|
तापमान की रेंज |
LT मोड: - 20 ° C ~+150 ° C; HT मोड: 0 ° C ~+550 ° C |
|||||
|
माप त्रुटि |
अधिकतम (± 2 ° C, ± 2%); ऑपरेटिंग टेम्प: - 20 ° C ~+50 ° C |
|||||
|
छवि प्रदर्शन |
||||||
|
छवि समायोजन |
चमक, विपरीत, तीक्ष्णता |
|||||
|
विस्तार वृद्धि |
सहायता |
|||||
|
पाना |
ऑटो/मैनुअल |
|||||
|
शोर में कमी |
2 डी/3 डी |
|||||
|
पलटना |
सहायता |
|||||
|
आईना |
सहायता |
|||||
|
छद्म - रंग |
18 रंग के पैलेट समायोज्य |
|||||
|
क्रॉसहेयर |
प्रदर्शन/गायब/छिपाना |
|||||
|
मूर्ति प्रोद्योगिकी |
NUC सुधार, डिजिटल शोर फ़िल्टर, DDE |
|||||
|
वीडियो |
||||||
|
वीडियो आउटपुट |
UVC/BT.656/MIPI/LVDS/CVBS |
यूवीसी/सीवीबीएस |
||||
|
विस्तार इंटरफ़ेस |
Usb/mipi/cvbs/प्रकार - c |
USB/cvbs/प्रकार - c |
||||
|
धारावाहिक संचार |
यूएआरटी सीरियल पोर्ट |
|||||
|
सामान्य |
||||||
|
शक्ति |
डीसी 4.5 ~ 5.5 वी; सीवीबी: डीसी 4.5–20 वी |
|||||
|
बिजली की खपत |
≤0.7w@25epsc |
≤0.7w@25epsc |
≤0.55w@250sc |
|||
|
कार्य -तापमान |
- 40 ° C ~ 70 ° C |
|||||
|
भंडारण तापमान |
- 40 ° C ~ 80 ° C |
|||||
|
काम कर रहे आर्द्रता |
≤95% आरएच (गैर - संघनक) |
|||||
|
झटका |
6.06g यादृच्छिक, 3 - अक्ष, साइन वेव कंपन |
|||||
|
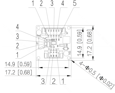
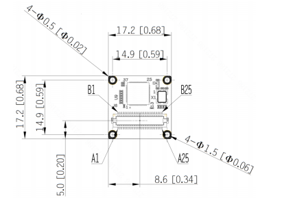
आयाम |
17.3 मिमी*17.3 मिमी*10.8 मिमी (लेंस स्पेसर रिंग टेल प्लेट के बिना) |
|||||
|
वज़न |
5 जी (लेंस स्पेसर रिंग टेल प्लेट के बिना) |
|||||




अपना संदेश छोड़ दें

